×
搜索
搜索
网站导航
首 页
关于俊菱
产品中心
应用行业
联系我们
新闻中心
代理品牌
您的位置:
首页
→
产品中心
→
风机系列
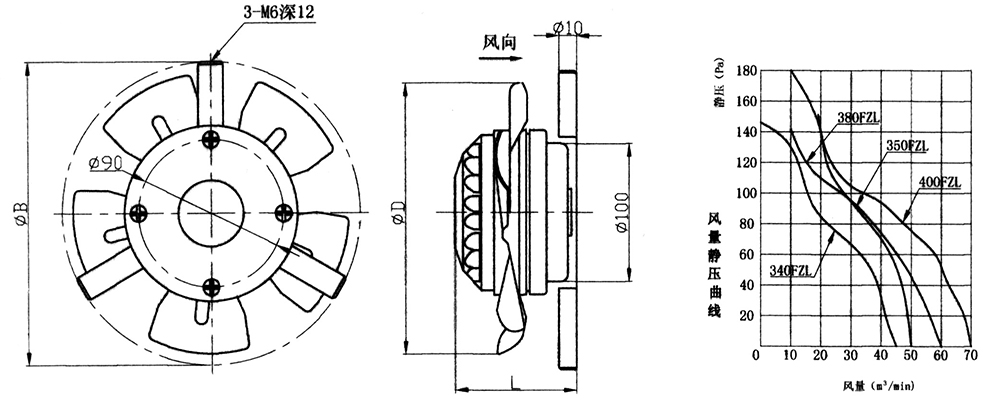
340FZ风机
上一个:250FZ风机
下一个:450FZL风机
详情介绍
Copyright © 2020 东莞市石排俊菱机电
技术支持【
东莞网站建设
】