×
搜索
搜索
网站导航
首 页
关于俊菱
产品中心
应用行业
联系我们
新闻中心
代理品牌
您的位置:
首页
→
产品中心
→
风机系列
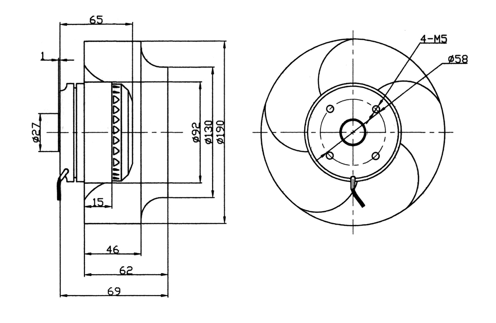
YWF-B4S-190B风机
上一个:YWF-B2S-133B风机
下一个:YWF-B4S-225B风机
详情介绍
Copyright © 2020 东莞市石排俊菱机电
技术支持【
东莞网站建设
】